特徴
| 申し込み
|






特徴
| 申し込み
|
絶対最大定格
U特に指定のない限り, Tamb= 25
| パラメータ | シンボル | 条件 | 価値 | 単位 |
| 電源電圧入力 | IS | 8 | mA | |
| VR端子電流 | IVR | VR~イン | 20 | mA |
| VR~グランド | 2 | mA | ||
| IN~VR | -20 | mA | ||
| IN端子電流 | Iイン | IN~VR | 20 | mA |
| IN~GND | 2 | mA | ||
| VR~イン | -20 | mA | ||
| INLA端子電流 | Iインラ | 5 | mA | |
| 許容損失 | PD | 200 | メートルダブリュー | |
| 動作温度 | タンブ | -25~80 | ℃ | |
| 保存温度 | Tstg | -55~125 | ℃ |
備考
絶対最大定格はストレス定格であり、デバイスの機能的動作を意味するものではない。
2.の間の現在値 VR とINの間、そしてINと VR パルス幅は1ms以下、デューティ・サイクルは12%以下である。.
電気的特性
特に指定のない限り、Tamb= 25
| パラメータ | シンボル | テスト条件 | 最小 | タイプ | マックス | 単位 | |
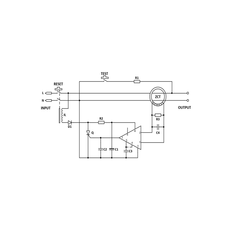
| テスト回路 | |||||||
| 供給電流 1 | IS1 | VS=12V, VR-Vi=30mV | 1 | 300 | 500 | mA | |
| トリップ電圧 | VT | VR-Vi (注1) | 2 | 4 | 6.1 | 9 | mV |
| 定格電流 1 | ITD1 | VOD=1.2V, VR-Vi=30mV | 3 | -20 | -35 | mA | |
| 時限電流 2 | ITD2 | VOD=0.3V, VR=Vi | 4 | 4 | mA | ||
| 出力電流 | IO | IS=400mA, Vインラ=1.4V, VOS=0.8V | 5 | -100 | -250 | mA | |
| INLA「オン」電圧 | Vラオン | (注2) | 6 | 0.7 | 1.4 | V | |
| INLA 入力電流 | Iラオン | VS=12V | 7 | 5 | mA | ||
| 出力ローレベル電流 | IOL | VS=12V, VOS=0.2V | 8 | 200 | 800 | mA | |
| 入力クランプ電圧 | VICL | VS=12V, IIC=20mA | 9 | 14 | V | ||
| 差動入力クランプ電圧 | Vアイディーシーエル | Iそうごうディスクせいぎょきこう=1mA | 10 | 1 | 2 | V | |
| 最大電流電圧 | VSM | ISM=7mA | 11 | 20 | 28 | V | |
| サプライ・カレンt 2 (注3) | IS2 | VR-Vi, VOS=0.6V (注4) | 12 | 700 | 900 | mA | |
| ラッチ回路がオフ状態 電源電圧 | Vソフ | (注5) | 13 | 4.9 | V | ||
| 営業時間 | Tオン | VR-Vi=0.3V (注6) | 14 | 5 | ms | ||
ご注文について
| 部品番号 | パッケージ | 梱包方法 | リール/チューブあたりのデバイス |
| SSP54123 | SOP8 | リール | 2500PCS/リール |


